GPI HP-100 Lever Fluid Transfer Hand Pump

Part Number: GP114000-7

KEY FEATURES:

  • Flow Rate – 1.9 ltrs per stroke cycle
  • Fitting Size – Inlet: 1″ NPT
  • Fitting Size – Outlet: 3/4″ NPT
  • Tank Adapter – 2″ NPT
  • Hose Dia – 3/4″

The HP-100 Dual-flo hand pump is a premium hand pump that is reliable and versatile. For high volume fuel transfer, use the high handle position. The HP-100 generates twice the flow of any other hand pump.

For heavier fluids or for easier pumping, use the second stroke setting. in either handle position, expect economical, trouble-free operation. Two piece Telescoping suction pipe, 3/4 in. dia. X 8 ft. (2.44 m) dispensing hose, Pump, Lockable handle liver, Bung aluminium adapter and Anti-Siphon Valve.

The HP-100 is available as a pump only or as a complete kit.

WHAT’S IN THE KIT:
  • Includes the HP-100 Up to 50 Gal per 100 strokes hand pump
  • telescoping suction pipe
  • dispensing hose
  • lockable lever
  • bung adapter
  • owners manual
  • Dual-Flo piston design pumps fluid on both the push and pull stroke
  • Two-position handle provides versatility for both high and low flow rate applications
  • Light-weight aluminium body provides corrosion resistance and reduces tank stress
  • Handle lock deters fluid theft
  • Comes with 3/4 in. x 8 ft. (2.44 m) Nitrile fuel dispensing hose with static wire and plastic nozzle
  • Fits a 2 in. NPT bung
  • For use with diesel (diesel blends to B20), gasoline (alcohol blends up to E15), hydraulic fluid, kerosene and 30W oil
  • 2 year warranty
  •  

Owners Manual – DOWNLOAD HERE

Dimensions – DOWNLOAD HERE

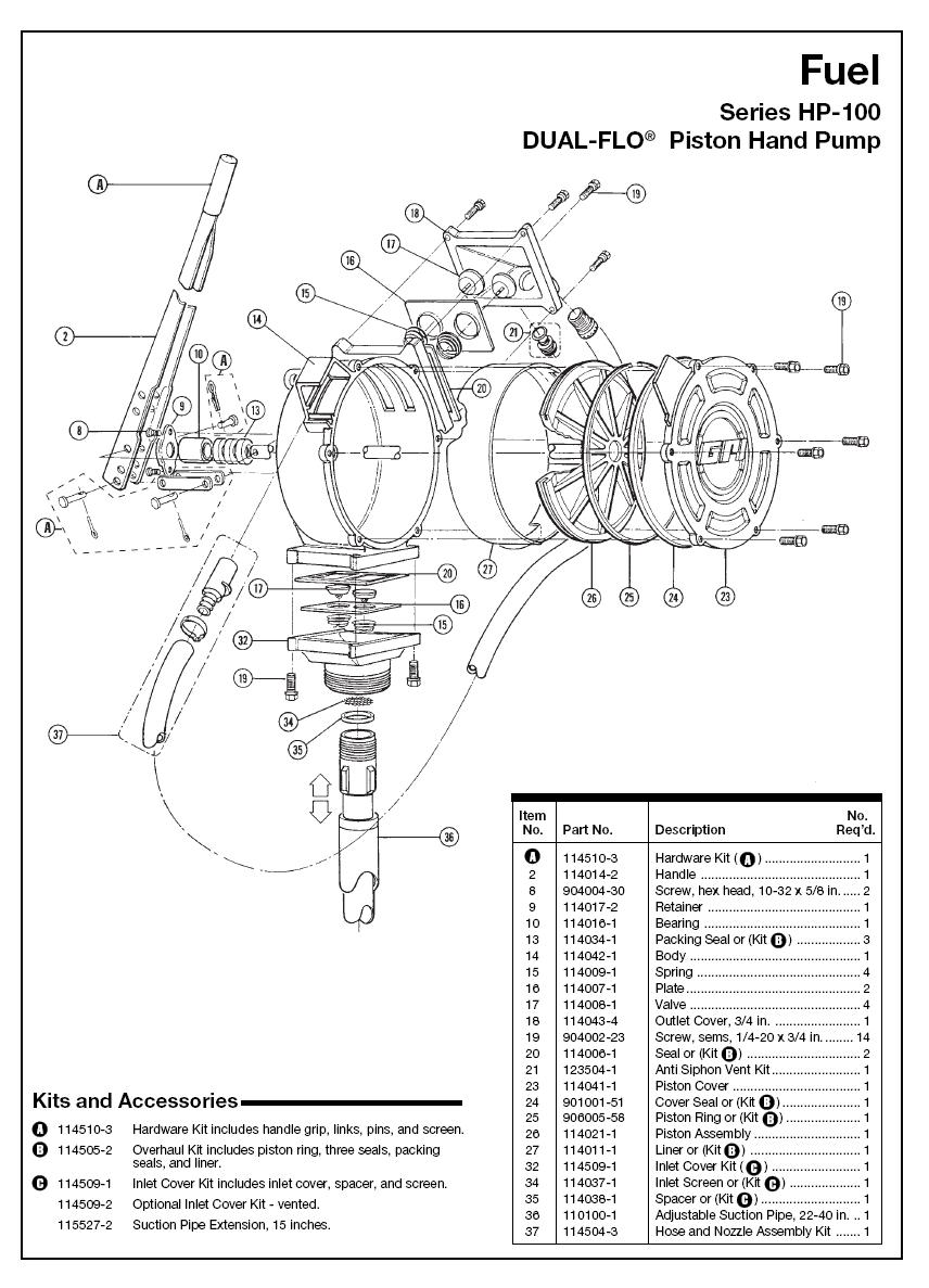
Exploded Diagram – DOWNLOAD HERE

Overhaul Kit (Part number: GP114505-2)

Anti Siphon Vent Kit (Part number: GP123504-1)

Replacement Handle (Part number: GP114014-502)

Hardware Kit (Part number: GP114510-503)

Scroll to Top